You are here: Home  > Product > Tension Device
Search
SEARCH
Product Details
Return
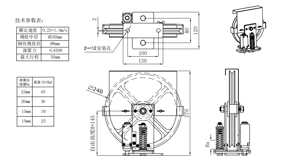
HHTZJ240

Spring type tension device

Rated speed:V:0.25-1.0m/s

Middle diameter of rope pulley:Φ240mm

Wire rope diameter:Φ8mm

Tension force:≤534N

Maximum stroke:50mm

Spring compression amount HaTension force F(Kg)
25mm40
20mm36
15mm30
10mm25


Contact Us

微信截图_20230218151725.png

QR code
Copyright@广东华辉电梯配件有限公司      备案号:粤ICP备88888888