You are here:
Home
>
Product
>
Buffer
Search
SEARCH
Search
中文/
En
Home
About Us
ABOUT US
ABOUT US
Company Profile
History
Honor
Show
Product
Product
Product introduction
Speed Governor
Safety gear
Buffer
Guide Shoe
Rope Hitch
Tension Device
Accidental moving protection d
Sheave Assembly
Car top wheel device
Lifting Mechanism
Accessory
Achievement
Achievement
R&D achievements
New Product
Patent
News
News
News
Enterprise Dynamics
Industry Information
Related Announcements
Download
Download
Download Center
Product Certificate
Certificate
Contact Us
Contact Us
contact us
Contact
Message
Join Us
Home
About Us
Product
Achievement
News
Download
Contact Us
Join Us
Speed Governor
Safety gear
Buffer
Guide Shoe
Rope Hitch
Tension Device
Accidental moving protection d
Sheave Assembly
Car top wheel device
Lifting Mechanism
Accessory
Product Details
Return
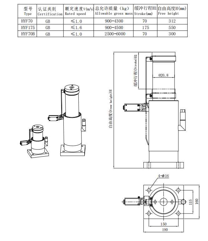
HYF175
Rated speed
:≤1.6m/s
Total allowable mass
:900-4500kg
Cushion stroke
:175mm
Free Height
:550mm
Contact Us
Related Products
Related products
HYF80
HYF160
HYF210
HYF275
HYF425
HYF70
About Us
Company Profile
Course
Honor
Show
Product
Speed Governor
Safety gear
Buffer
Guide Shoe
Rope Hitch
Tension Device
Accidental moving protection d
Sheave Assembly
Car top wheel device
Lifting Mechanism
Accessory
Achievement
New product updates
Patent Exhibition
News
Enterprise Dynamics
Industry Information
Related Announcements
Download
Product Certificate
Certificate
Contact
Telephone
Mr. Chen:13690395035
Miss Meng:13923111433
E-mail
FSHHCZL@163.com
QR code
Copyright@广东华辉电梯配件有限公司
备案号:粤ICP备88888888