You are here: Home  > Product > Safety gear
Search
SEARCH
Product Details
Return
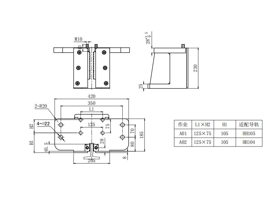
QSX106

Rated speed:≤0.63 m/s

P+Q Applicable quality range:≤19560kg

Applicable guide rail surface width:16mm、19mm、28.6mm

Structural style:Instantaneous



Contact Us

微信截图_20230223094617.png

Related Products
Related products
QR code
Copyright@广东华辉电梯配件有限公司      备案号:粤ICP备88888888