Copper shoe lining
Rated speed:V≤1.0m/s(HH105)Copper shoe lining
Load:≤15000kg
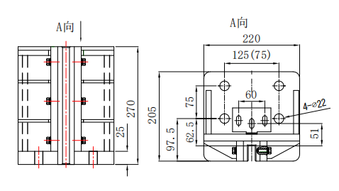
Applicable guide rail width:16mm、19mm
Sliding guide shoe
Rated speed:V≤1.75m/s(HH105A)Wear resistant polymer shoe lining
Load:≤15000kg
Applicable guide rail width:16mm、19mm
