You are here: Home  > Product > Guide Shoe
Search
SEARCH
Product Details
Return
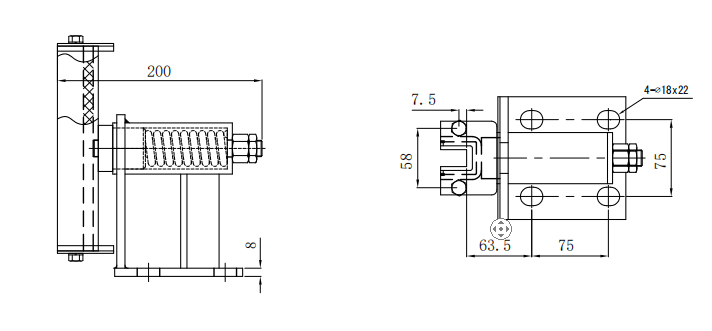
HH102A

Sliding guide shoe

Rated speed:V≤1.0m/s

Positive pressure on guide rail surface:≤2100N

Side pressure of guide rail surface:≤2600N

Applicable guide rail width:10mm、16mm

Contact Us

微信截图_20230218140144.png

Related Products
Related products
QR code
Copyright@广东华辉电梯配件有限公司      备案号:粤ICP备88888888